Erweiterter SDR mit Verarbeitung im Frequenzbereich
Frontpanel
Auf Basis der bisherigen Überlegungen wurde ein LabVIEW-SDR mit Signalverarbeitung im Frequenzbereich erstellt.
Bild 1 zeigt das Frontpanel des SDR-Empfängers mit Signalen im 40m Band.

Bild 1: Frontpanel SDR
Bild 1: Frontpanel SDR HIGHRES Version
Wesentliche Eigenschaften sind zwei voneinander unabhängige Empfangszweige, eine Frequenzsteuerung von SI570 Softrock kompatibler Hardware, die Demodulation von SSB- und AM-Signalen, sowie die Implementierung von verschiedenen Filtern zur Verbesserung des Empfangsergebnisses.
Als Schnittstelle zu gängiger SDR-Hardware kann eine interne- oder externe Soundkarte verwendet werden.
Die folgenden Abschnitte geben einen Überblick über die Funktionsweise und die Inbetriebnahme des Programms.
Funktionsweise
Aus Bild 2 lässt sich die Funktionsweise des SDR erschließen.
Bild 2: Blockschaltbild des SDR
Die aus einer Softrock kompatiblen Hardware stammenden I / Q Signale (z. B. FIFI-SDR, Softrock RX/TX, Funkamateur SDR) werden blockweise eingelesen. Ein- und später Aussenden der Signale geschehen dabei in eigenen Programm-Threads, um eine reibungslose, performante Serialisierung sicherzustellen. Die gesamte Verarbeitung findet auf Basis von Komplexen Zahlen statt.
Eine blockweise Verarbeitung der Signale kann in Verbindung mit digitaler Signalverarbeitung (DSP) zu Verzerrungen führen. Um diese zu vermeiden, ist ein Overlap/Add Verfahren implementiert.
Nach einem einfachen Vorverstärker (Multiplikation der Signale) werden die I / Q Signale mittels FFT in den Frequenzbereich transformiert und auch als Spektrum angezeigt.
Fast alle weiteren Signalverarbeitungen finden im Frequenzbereich statt (gestrichelter Block). Hier weicht das Konzept von gängigen, anderen SDR-Konzepten ab. Grund für diese Wahl ist eine erheblich höhere Performanz, da fast alle Filterungen auf Multiplikationen des Signals mit transformierten Filterkernen zurückzuführen sind. Die Filterkerne werden dabei nur bei Änderungen der Parameter neu berechnet.
Um u. a. Splittbetrieb zu ermöglichen, ist neben dem Hauptempfangszweig ein zweiter Zweig, allerdings ohne umfangreiche Filterungen, implementiert worden. Daher teilt sich das Signal im Blockschaltbild auf 2 Zweige auf.
Aus dem anliegenden Frequenzspektrum wird zunächst mittels eines Bandpassfilters das Nutzsignal isoliert und dann im nächsten Schritt in das Basisband verschoben.
Im Hauptzweig fügt sich ein etwas ungewöhnlicher Squelch (Noise-Blocker) an, der mittels Spektraler-Subtraktion bei feinfühliger Einstellung ein überlagertes Rauschen hocheffektiv unterdrückt.
Als Alternative folgt ein klassisches Rauschfilter auf Basis einer Mittelwertbildung (Moving-Average).
Es schließt sich ein in Breite und Lage einstellbares Notch-Filter an. Zwecks besserer Justierbarkeit wird die Filterübertragungsfunktion samt selektiertem Frequenzbereich in einem Fenster angezeigt.
Nach der Rücktransformation in den Zeitbereich per iFFT findet sich der zweite Teil des Overlap/Add Verfahrens.
Die eigentliche Demodulation des Signals unterscheidet sich wesentlich je nach gewählter Modulationsart.
Bei AM bewirkt die Betragsbildung des komplexen Signals eine Demodulation. Ein Gleichspannungsanteil wird durch ein Filter eliminiert.
Bei SSB wurde ein neuer Weg beschritten, der wiederum von gängigen Konzepten abweicht (sonst Phasendrehung per Hilberttransformation und Addition/Subtraktion der I / Q Anteile). Eine einseitige Selektion und Verschiebung des entsprechenden Seitenbandes, verbunden mit der Ausnutzung der Symmetrien der FFT/iFFT macht eine weitere Verarbeitung obsolet. Es wird lediglich der Realteil des Komplexen Zeitsignals selektiert und weiterverarbeitet. Eine gewünschte Spiegelfrequenzunterdrückung findet, wiederum im Rahmen der FFT, dennoch statt.
Für den Hauptzweig folgt eine AGC-Regelung mit variabler Haltezeit (Hangtime).
Die Audiosignale der beiden Empfangszweige können zu guter Letzt auf die Audiokanäle der Soundkarte, mit entsprechenden Wahlmöglichkeiten, verteilt werden und werden in einem Fenster angezeigt.
Die blockweise Ausgabe der Signale schließt den Gesamtsignalzug ab.
Erwähnenswert ist noch die implementierte Frequenzkontrolle von SI570 Oszillatoren.
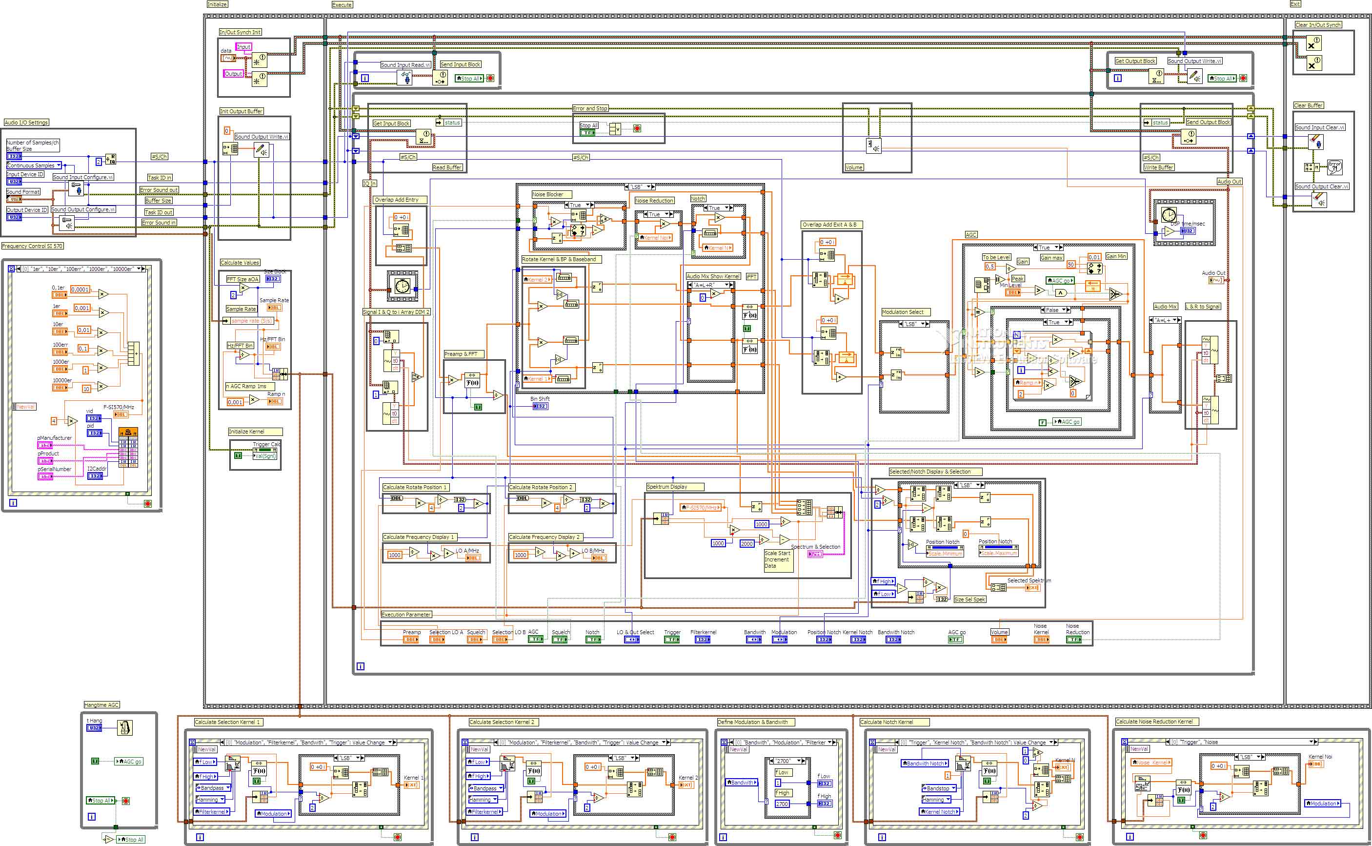
Das LabVIEW Blockdiagramm ist aus Bild 3 ersichtlich.

Bild 3: LabVIEW Blockdiagramm Erweiterter SDR
Bild 3: LabVIEW Blockdiagramm Erweiterter SDR HIGHRES Version
Inbetriebnahme und Bedienung
Im Download-Bereich findet sich das Programm als ausführbare EXE Datei. Das gesamte Verzeichnis ist an eine geeignete Stelle zu kopieren.
Zur SI570 Steuerung sind 2 zusätzliche DLLs erforderlich, die ebenfalls eingestellt sind. SRDLL.dll von [11] und eine USB DLL der Hardware. FIFI-SDR und Softrock RX/TX SI570 Steuerung nach DG8SAQ wurden erfolgreich mit libusb0.dll getestet. Weiterhin ist die Labview Runtime-Engine (RTE) von www.ni.com einmalig zu installieren.
Die Inbetriebnahme gestaltet sich einfach. Alle Parameter sind sinnvoll vorbelegt, die Filter sind ausgeschaltet.
Zunächst sind die Ein- und Ausgabekanäle der Soundkarte zu wählen. Falls die IDs nicht bekannt sind, ausprobieren!
Nach Start des Programms sollten Stationen und Rauschen in der Spektralanzeige sichtbar sein. Ggf. ist der Level des Vorverstärkers zu ändern, bzw. die SI570 Frequenz ist, auch erstmalig nach Start der HW, einzustellen.
Die hier gezeigten SI570 Parameter gelten für den FIFI-SDR und sind entsprechend für andere Geräte anzupassen.
Mittel des Schiebereglers unter der Spektralanzeige kann nun eine Station selektiert werden. Ein demoduliertes Audiosignal sollte bei richtiger Wahl der Modulationsart und der Bandbreite klar hörbar sein.
Sollten permanente Verzerrungen auftreten, hilft ein kurzes Anhalten und Starten des Programms, oder aber die Wahl eines größeren Pufferspeichers (möglichst ein Vielfaches zur Basis 2).
Generell sind Änderungen an den Konfigurationsparametern der Ein- und Ausgabekanäle und des Soundformats erst nach Anhalten und Starten des Programms wirksam. Alle anderen Änderungen sind im laufenden Programm möglich.
Nach Einschalten des Notchfilters kann Breite und Lage des Filters durch die zwei entsprechenden Schieberegler justiert werden.
Während das Rauschfilter (Noise Reduction) selbsterklärend ist, bedarf die Squelch-Regelung (Noise-Blocker) einer feinfühligen Wahl anhand des Schiebereglers. Eingeblendet wird eine horizontale Linie die angibt, welcher Spektralpegel vom Signal subtrahiert wird. Wird ein zu hoher Pegel gewählt, entstehen Verzerrungen. Bei richtiger Wahl ergibt sich jedoch eine ausgezeichnete Rauschreduktion.
Die Auswahl ‚LO & Out Select’ bietet insgesamt 4 Möglichkeiten, die Audiosignale der beiden Empfänger auf den linken und rechten Audiokanal zu verteilen. Gleichzeitig wird hier der erste, bzw. der zweite Empfänger ein- und ausgeschaltet. Oder aber die Audiosignale beider Empfänger werden gemischt oder einzeln ausgegeben.
Erfahrung und Ausblick
Der vorliegende SDR-Empfänger wurde mit einem FIFI-SDR und einem Softrock RX/TX 6.2 mitsamt SI570 Oszillator umfangreich getestet, zumeist unter SSB an einem Inverted-V Dipol auf 40m, 80m, und auch 20m.
Weiterhin wurde erfolgreich DRM mittels der Software Dream decodiert, AM Radiostationen waren ebenfalls sehr gut empfangbar.
Es ist erstaunlich, welche Empfangsleistungen sich mit solch einem Konzept erzielen lassen. Subjektiv wurde ein kommerzielles, analoges Gerät der unteren Mittelklasse klar übertroffen.